DavidOfMA
Senior Member
  
Offline

Getting back in gear after a long time away
Posts: 336
Beverly, MA
Gender:
|
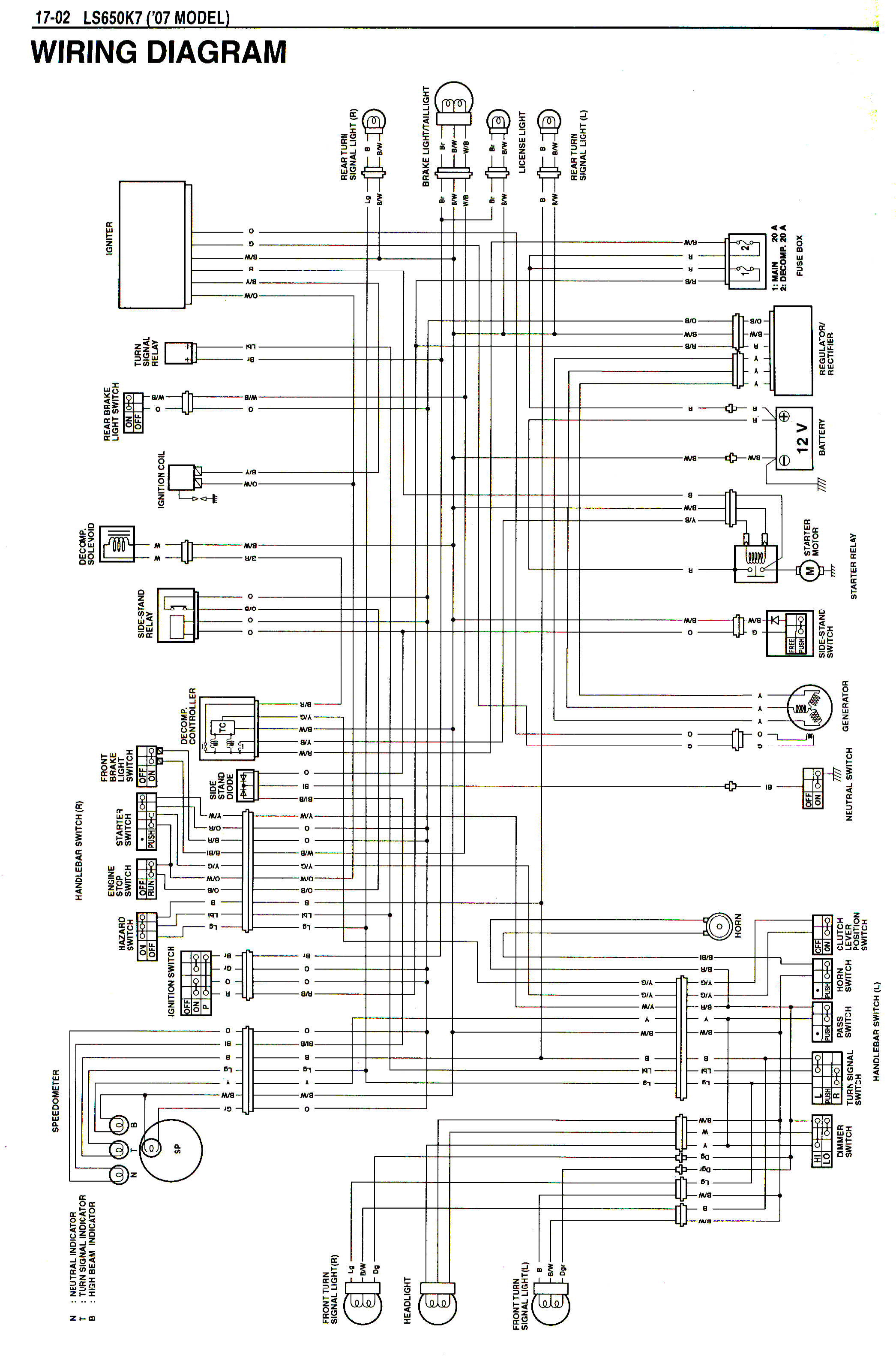
Took the seat and gas tank off today to try to track down an oil leak coming from the top-right of the cylinder, near the valve cover gasket and the rubber plug. Also attached a battery charger connector to the battery (and accidentally shorted it a couple of times, briefly, which might be relevant). When I put the bike back together, the right turn signal was on. I flicked the turn signal switch a few times, and it returned to working normally for a few minutes, and then the right signal went on again and won't cancel. It's on as long as the ignition is on. Any idea what I might have done when I took the seat off, took the tank off, tightened some cylindar head bolts, or installed the battery charger connector? It "knows" whether there's a bulb in there because when I take it out the flasher on that side blinks continuously.
I'm thinking I probably shorted something when I pulled the tank off or squeezed a screwdriver down to remove the battery connectors, but I guess it could also be the switch itself that coincidentally decided to malfunction. Removed seat, tank, and connector and couldn't find any obvious problem or get it to stop flashing by wiggling wires.
Thanks! Discouraging when, after 33 years off a bike, my first foray into motorcycle repair makes things worse!
|