Donate!
Welcome, Guest. Please Login or Register :: View Members
Pages: 1 2 3 
Send Topic Print
Jetting problems (Read 404 times)
WD
Serious Thumper
2005 No Login
*****
Offline

Professional
"scooter
trash".

Posts: 5207
Rosemark TN
Gender: male
Re: Jetting problems
Reply #15 - 04/18/14 at 08:34:55
 
What we really need is an o-ring equipped solid manifold, like HD uses. The factory rubber boots have too much leak potential. Engine heat can make them brittle and/or distorted. The intake stub on the 98 has a crack you can put a quarter in, and it will stay in place without any glue...
Back to top
 
 

On 2 wheels since 7/87

Black and Chrome 2003 1950s style custom
  IP Logged
JayDuta
YaBB Newbies
*
Offline

SuzukiSavage.com
Rocks!

Posts: 22

Re: Jetting problems
Reply #16 - 04/18/14 at 11:56:47
 
Interesting observations, I'm having some issues as well. I'm running the jet set provided by Ryca on a 96 which suggested using the 55/152.5. set up with replaced washers. I'm out here in Northern California.

I was able to start and ride the bike around my neighborhood at 2 turns out and a nice idle after trying to start it quite  few times. I was sure it was tuned properly.

The next day the bike wouldn't start up. I checked the spark plug and there are black deposits on it. I assume it's running too rich? Should I try the other jets? 147.5 main jet or 150 main jet with 55 pilot jet? I'm also using fuel that I have stored. Not sure if gas is the issue.

The bike wont start now, my battery is fully charged even with jumpers and the starter seems ok. Any suggested on what to try next?
Back to top
 
 
  IP Logged
S-P
Serious Thumper
*****
Offline

Back in the saddle
again

Posts: 816
Phoenix, AZ
Gender: male
Re: Jetting problems
Reply #17 - 04/18/14 at 14:30:49
 
JayDuta wrote on 04/18/14 at 11:56:47:
I'm also using fuel that I have stored. Not sure if gas is the issue.

The bike wont start now, my battery is fully charged even with jumpers and the starter seems ok. Any suggested on what to try next?


Try fresh gas and cleaning the plug before you start re-jetting. Bad gas is... well, bad.
Back to top
 
 
  IP Logged
Henrik
Junior Member
**
Offline

SuzukiSavage.com
Rocks!

Posts: 70
Sweden, Jönköping
Gender: male
Re: Jetting problems
Reply #18 - 04/18/14 at 14:43:07
 
How about you other guys how has a air filter like a K&N cone filter, and a muffler similar to the Jardine, what is your jetting setup?
Just so I can compare what should be a "normal" setting.
Back to top
 
 
  IP Logged
JayDuta
YaBB Newbies
*
Offline

SuzukiSavage.com
Rocks!

Posts: 22

Re: Jetting problems
Reply #19 - 04/18/14 at 15:00:22
 
I rejetted my carb using the stock jet and 150 main jet. 2 turns out on the carb scew and it runs like it should now. I've got a k&N short filter and reverse cone pipe. On my Ryca Bobber. Gonna drain old fuel and put fresh one in. Hope this helps some of you.
Back to top
 
 
  IP Logged
Henrik
Junior Member
**
Offline

SuzukiSavage.com
Rocks!

Posts: 70
Sweden, Jönköping
Gender: male
Re: Jetting problems
Reply #20 - 04/18/14 at 15:18:14
 
JayDuta wrote on 04/18/14 at 15:00:22:
I rejetted my carb using the stock jet and 150 main jet. 2 turns out on the carb scew and it runs like it should now. I've got a k&N short filter and reverse cone pipe. On my Ryca Bobber. Gonna drain old fuel and put fresh one in. Hope this helps some of you.


what is the stock jet size?
Back to top
 
 
  IP Logged
pg
Serious Thumper
*****
Offline



Posts: 5274
In Transit
Re: Jetting problems
Reply #21 - 04/18/14 at 15:20:39
 
I have an 06 with the standard carb.  I’m guessing the pilot jet is 47.5 and the main jet is 145.  I’m at an elevation level of 300 ft and it is very humid.  I have a dyna muff and kn drop-in.  Runs great!  The only thing that I see that concerns me is a small drip of gas when it idles for a long time.  Also, I’m getting somewhere between 45-50 mpg depending on how I’m riding.  Not sure if this helps, just thought I’d add my .02.
Back to top
 
 

I don't make the rules, I just know what they are.....




  IP Logged
JayDuta
YaBB Newbies
*
Offline

SuzukiSavage.com
Rocks!

Posts: 22

Re: Jetting problems
Reply #22 - 04/18/14 at 15:27:09
 
It's 47.5. Here check out this vid http://youtu.be/rFFuF9QZ4IM
Back to top
 
 
  IP Logged
pg
Serious Thumper
*****
Offline



Posts: 5274
In Transit
Re: Jetting problems
Reply #23 - 04/18/14 at 15:59:24
 
Nice vid, thanks.
Back to top
 
 

I don't make the rules, I just know what they are.....




  IP Logged
Yoshi
Serious Thumper
*****
Offline

SuzukiSavage.com
Rocks!

Posts: 886
LongIsland, N.Y.
Gender: male
Re: Jetting problems
Reply #24 - 04/18/14 at 20:02:04
 
Im trying 52.5 pilot and 155 main with a pretty opened MAC exhaust and stock air filter, I'll check plug color after some run time and mod from there
It seems to be working really well with 2 turns out on the air/fuel needle

Was too rich, I went with a 152.5..
Back to top
 
« Last Edit: 04/21/14 at 15:26:44 by Yoshi »  
  IP Logged
S-P
Serious Thumper
*****
Offline

Back in the saddle
again

Posts: 816
Phoenix, AZ
Gender: male
Re: Jetting problems
Reply #25 - 04/18/14 at 22:09:28
 
I have a Dyna muffler and cone filter. 152.5 and 52.5 and two washers (Lancer's kit). 2 1/4 turns out. I still get a small POOT backfire on shut down occasionally and a little backfire at shifting gears if I'm gunning it, but the bike runs great.
Back to top
 
 
  IP Logged
Henrik
Junior Member
**
Offline

SuzukiSavage.com
Rocks!

Posts: 70
Sweden, Jönköping
Gender: male
Re: Jetting problems
Reply #26 - 04/19/14 at 10:05:07
 
Just thinking, which has the highest impact on jetting air filter or muffler
Back to top
 
 
  IP Logged
Henrik
Junior Member
**
Offline

SuzukiSavage.com
Rocks!

Posts: 70
Sweden, Jönköping
Gender: male
Re: Jetting problems
Reply #27 - 04/20/14 at 15:08:03
 
Just want to share my experience. Had a breaktrough today. My father also owns a Savage, and he had "borrowed" my old Jardine pipe since i bought this new universal short turnout muffler. It sounds great, but i discoverd that it has a rather small hole compared to the Jardine muffler.
So I was thinking what if it got alot less recistance compared to the other?
So I did a switch, and bammm!! Suddenly things just worked out, much!! more power and no bogging and backfire on acceleration. Runs realy sweet. Right now i got a 50/155 "1,8" turnout on the mix screw, 3  spacers on the needle. Maybe it is a bit rich on the main, but what a hugh change in performance and response. For knowledge, I got a rather BIG pancake K&N open air filter, so my analyse is this: there was a BIG bottleneck in the exhaust part of my system wich made the engine stumble and backfire on full throttle. Also its telling me that it was on to rich setting until I swichted the exhaust. And some exhaust sound bad, but in fact they arent so evil as they loook Smiley
Next step is to ride on this for a while and to do a sparkplug check in different ranges to finetune the jetting. thanks to all of you for you imput! Now it is time for a big whiskey!
Back to top
 
 
  IP Logged
Henrik
Junior Member
**
Offline

SuzukiSavage.com
Rocks!

Posts: 70
Sweden, Jönköping
Gender: male
Re: Jetting problems
Reply #28 - 04/27/14 at 02:00:42
 
So i have noticed this, when turning the mixture screw out for about 3-3.5 turns it starts to slow down and die. Turning it in somewere at 1.0 - 1.5 turn the idle is at max. But the weird thing is that turning it in more and all the way to bottom dosent make any differance. In teory this should mean that i have to step down one size, but that dosent make sence to me because than i would be at 47,5 jet that is stock for my bike, and that just feels way to lean. To check the sparkplug should i just run the engine on idle? Also could the main jet have any affect on this (155)? It runs fine on low and midrange. Is there any other way to analyse the pilotjet?
Back to top
 
 
  IP Logged
Dave
YaBB Moderator
ModSquad
*****
Offline

SuzukiSavage.com
Rocks!

Posts: 18587
Camp Springs, Kentucky
Gender: male
Re: Jetting problems
Reply #29 - 04/28/14 at 03:21:05
 
Henrik wrote on 04/27/14 at 02:00:42:
So i have noticed this, when turning the mixture screw out for about 3-3.5 turns it starts to slow down and die. Turning it in somewere at 1.0 - 1.5 turn the idle is at max. But the weird thing is that turning it in more and all the way to bottom dosent make any differance. In theory this should mean that i have to step down one size, but that dosent make sence to me because than i would be at 47,5 jet that is stock for my bike, and that just feels way to lean. To check the sparkplug should i just run the engine on idle? Also could the main jet have any affect on this (155)? It runs fine on low and midrange. Is there any other way to analyse the pilotjet?


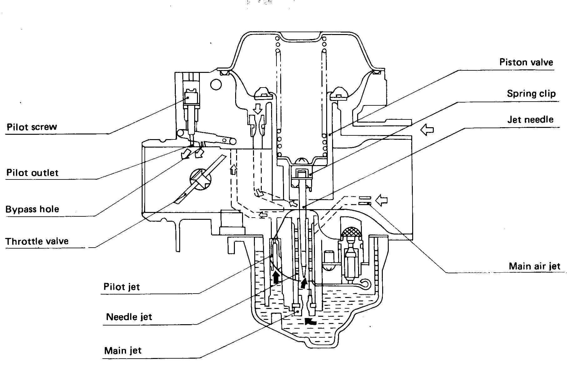
If your best idle mixture is at 1.5 turns....then according to Mikuni your Pilot Jet is the correct size (Notice the Bypass hole and Pilot outlet in the attached drawing).  It turns out the Idle Fuel screw is one of two holes that allows fuel to flow at idle....so even though you may be turning the screw all the way it....there is still a hole to allow fuel to flow.  If your idle is set too high while you are adjusting the idle mixture....you may also be getting fuel flow from the slide needle....which will change the way the fuel screw reacts.

I am also of the opinion that jetting your bike for good performance and fuel mileage.....will make the CV carb prone to pops and bangs when shifing gears or decelerating with a fully closed throttle.  If you put a larger pilot jet in to reduce the pops during shifts - your mileage will decrease slightly.  What happens is that when you fully close the throttle, the vacuum goes up really high and it pulls a lot of air past the throttle butterfly.  The only fuel that can flow is being pulled out the Pilot Circuit, and it does not provide enough fuel to make a combustible mixture and the spark plug cannot ignite the mixture....so the air and unburned fuel gets pushed out into the hot exhaust pipe.  When enough fuel builds up in the exhaust and is ignited by the hot exhaust pipe - or the spark plug happens to ignite mixture and the flame travels out the exhaust valve....the mixture in the exhaust system is ignited and makes the pop or bang.  When you increase the Pilot Jet size you are allowing more fuel to flow into the idle circuit....and this can help to reduce the lean condition and help the spark plug to ignite the mixture when you are decelerating......The down side is that the idle circuit is richer under normal riding conditions and is using more fuel.  Beyond 1/8th throttle the Pilot Jet doesn't do much of anything - so the mixture is controlled by the slide needle and main jet at larger throttle settings.  

Back to top
 

CVCarbFlow.jpg

Someday I will be old......But not today!

  IP Logged
Pages: 1 2 3 
Send Topic Print


« Home

 
« Home
SuzukiSavage.com
12/22/25 at 06:16:43



General CategoryRubber Side Down! › Jetting problems


SuzukiSavage.com » Powered by YaBB 2.2!
YaBB © 2000-2007. All Rights Reserved.