Home
Forum
Search
Login
Register
Merch
Donate
Welcome, Guest. Please
Login
or
Register
::
View Members
SuzukiSavage.com
›
General Category
›
Rubber Side Down!
› Carb float bowl question (pic included)
(Moderators:
verslagen1
,
Dave
,
Serowbot
)
‹
Previous topic
|
Next topic
›
Pages:
1
2
Carb float bowl question (pic included) (Read 150 times)
doh13
Junior Member
Offline
SuzukiSavage.com
Rocks!
Posts: 67
NS CANADA
Carb float bowl question (pic included)
05/19/14 at 18:36:09
Hi i have been cleaning up my carb and I am wondering if the circled parts of the bottom of the carb bowl that I attached are joined up as i cannot seem to get air to go through the top hole to the bottom i sprayed plenty of carb cleaner ,compressed air, pressure washer through it there is no gunk anywhere else after i cleaned it. If air goes through the top hole it i guess i got some more cleaning to do
.
Back to top
IP Logged
doh13
Junior Member
Offline
SuzukiSavage.com
Rocks!
Posts: 67
NS CANADA
Re: Carb float bowl question (pic included)
Reply #1 -
05/20/14 at 06:56:16
Anyone got an idea?
Back to top
IP Logged
verslagen1
YaBB Moderator
ModSquad
Offline
Where there's a
will, I want to be
in it.
Posts: 29042
L.A. California
Gender:
Re: Carb float bowl question (pic included)
Reply #2 -
05/20/14 at 07:23:46
The bottom of my fish tank looks better.
Clearly it's a hole, it must go somewhere.
but I don't recall. I try and check later.
This is one of those questions, you can't answer unless you got one in your lap too. And timing is everything. So ping back when someone might be at a place where they can go investigate.
Back to top
Versey's Place
Tech Section Index
IP Logged
doh13
Junior Member
Offline
SuzukiSavage.com
Rocks!
Posts: 67
NS CANADA
Re: Carb float bowl question (pic included)
Reply #3 -
05/20/14 at 07:36:21
verslagen1 wrote
on 05/20/14 at 07:23:46:
The bottom of my fish tank looks better.
Clearly it's a hole, it must go somewhere.
but I don't recall. I try and check later.
This is one of those questions, you can't answer unless you got one in your lap too. And timing is everything. So ping back when someone might be at a place where they can go investigate.
Thanks , it was pretty nasty and the smell wasn't too pleasant it looks like new now lol I am waiting on a float then i will be able to try it but until then i would like to find out if the 2 holes on the float bowl connect if so i need to unblock it so that i wont have to remove the carb again to do more cleaning. I know that the copper tube to the left of the float in the pic goes down into the big hole on the float bowl and it seems like the bottom hole should be connected somehow but like i said i put high pressure water blasting through both holes and air still will not blow through.
Back to top
IP Logged
old_rider
Serious Thumper
Offline
Backyard Bill
Productions
Posts: 3147
flordia panhandle
Gender:
Re: Carb float bowl question (pic included)
Reply #4 -
05/20/14 at 07:49:27
While doing a search for cleaning mikuni carbs I found this....
http://i600.photobucket.com/albums/tt90/Nemo_DeNovo/DSCN0215.jpg
I would suggest using a small wire... like a paper clip or some such to try to clean out that passage.
Back to top
We are here to laugh at the odds and live our lives so well that Death will tremble to take us.
IP Logged
doh13
Junior Member
Offline
SuzukiSavage.com
Rocks!
Posts: 67
NS CANADA
Re: Carb float bowl question (pic included)
Reply #5 -
05/20/14 at 08:05:59
old_rider wrote
on 05/20/14 at 07:49:27:
While doing a search for cleaning mikuni carbs I found this....
http://i600.photobucket.com/albums/tt90/Nemo_DeNovo/DSCN0215.jpg
I would suggest using a small wire... like a paper clip or some such to try to clean out that passage.
Interesting I will assume it is still blocked off i did try a piece of wire carb cleaner 1200 psi of water pressure lol. The bottom hole isn't exactly lined up like in the link you sent so maybe the wire hit metal I will keep trying thanks again for the pic it helps confirm my suspicion that fuel suppose to go through there.
Back to top
IP Logged
Serowbot
YaBB Moderator
ModSquad
Offline
OK.... so what's the
speed of dark?
Posts: 29690
Tucson Az
Gender:
Re: Carb float bowl question (pic included)
Reply #6 -
05/20/14 at 09:57:00
I just checked a spare carb I have... and I can blow a very small amount of air through that hole... it does exit out the other hole...
So,.. they are connected...
Keep cleaning...
...
Back to top
Ludicrous Speed !... ...
...
IP Logged
Bluesman
Full Member
Offline
Jack of many trades
Posts: 108
Malmö, Sweden
Gender:
Re: Carb float bowl question (pic included)
Reply #7 -
05/20/14 at 11:38:04
A 0.10 to 0.20 guitar string will do the job.
Back to top
Cheers /Richard
IP Logged
doh13
Junior Member
Offline
SuzukiSavage.com
Rocks!
Posts: 67
NS CANADA
Re: Carb float bowl question (pic included)
Reply #8 -
05/20/14 at 12:54:00
Serowbot wrote
on 05/20/14 at 09:57:00:
I just checked a spare carb I have... and I can blow a very small amount of air through that hole... it does exit out the other hole...
So,.. they are connected...
Keep cleaning...
...
Thanks so much for confirming air goes through the hole Serowbot i got some carb cleaner soaking then ill try a smaller wire like bluesman suggested to break through the gunk. If it wasn't for this forum id prob never get the bike started
Back to top
IP Logged
doh13
Junior Member
Offline
SuzukiSavage.com
Rocks!
Posts: 67
NS CANADA
Re: Carb float bowl question (pic included)
Reply #9 -
05/21/14 at 18:02:53
I managed to get carb cleaner and air to come up through the hole like in the pic old_rider posted after soaking the bowl in cleaner. I looked in the hole with a flashlight and the hole looks much smaller than the top and bottom hole so that's why the wire i was using wouldn't go through it. Im glad i didn't put it back together that way thanks again for the help guys.
Back to top
IP Logged
LANCER
Serious Thumper
Alliance Member
Offline
Savage Beast
Performance Parts
Posts: 10875
Oklahoma
Gender:
Re: Carb float bowl question (pic included)
Reply #10 -
05/22/14 at 03:58:09
You need to be careful when using wire to clear a hole in the carb. Some of them are extremely small and if poked with wire that is too large you could actually push some metal into the hole and close it permanently. Always work GENTLY using just your fingertips when holding the wire.
A carb cleaning wire kit is pretty inexpensive compared to the price of a carburetor, and works wonders on a clogged-malfunctioning carb.
Back to top
IP Logged
doh13
Junior Member
Offline
SuzukiSavage.com
Rocks!
Posts: 67
NS CANADA
Re: Carb float bowl question (pic included)
Reply #11 -
05/22/14 at 05:52:19
LANCER wrote
on 05/22/14 at 03:58:09:
You need to be careful when using wire to clear a hole in the carb. Some of them are extremely small and if poked with wire that is too large you could actually push some metal into the hole and close it permanently. Always work GENTLY using just your fingertips when holding the wire.
A carb cleaning wire kit is pretty inexpensive compared to the price of a carburetor, and works wonders on a clogged-malfunctioning carb.
I did realize that after I seen how small the hole was but it was too late then
I wasn't too rough with the wire I used though, there is good flow now through that hole so I am fairly confident there was no damage. I just need to get the replacement float in the mail so i can try it out and hope that I don't need a new float jet and seat . I have to wait weeks for new parts since im in the boonies.
Back to top
IP Logged
Dave
YaBB Moderator
ModSquad
Online
SuzukiSavage.com
Rocks!
Posts: 18591
Camp Springs, Kentucky
Gender:
Re: Carb float bowl question (pic included)
Reply #12 -
05/22/14 at 05:55:20
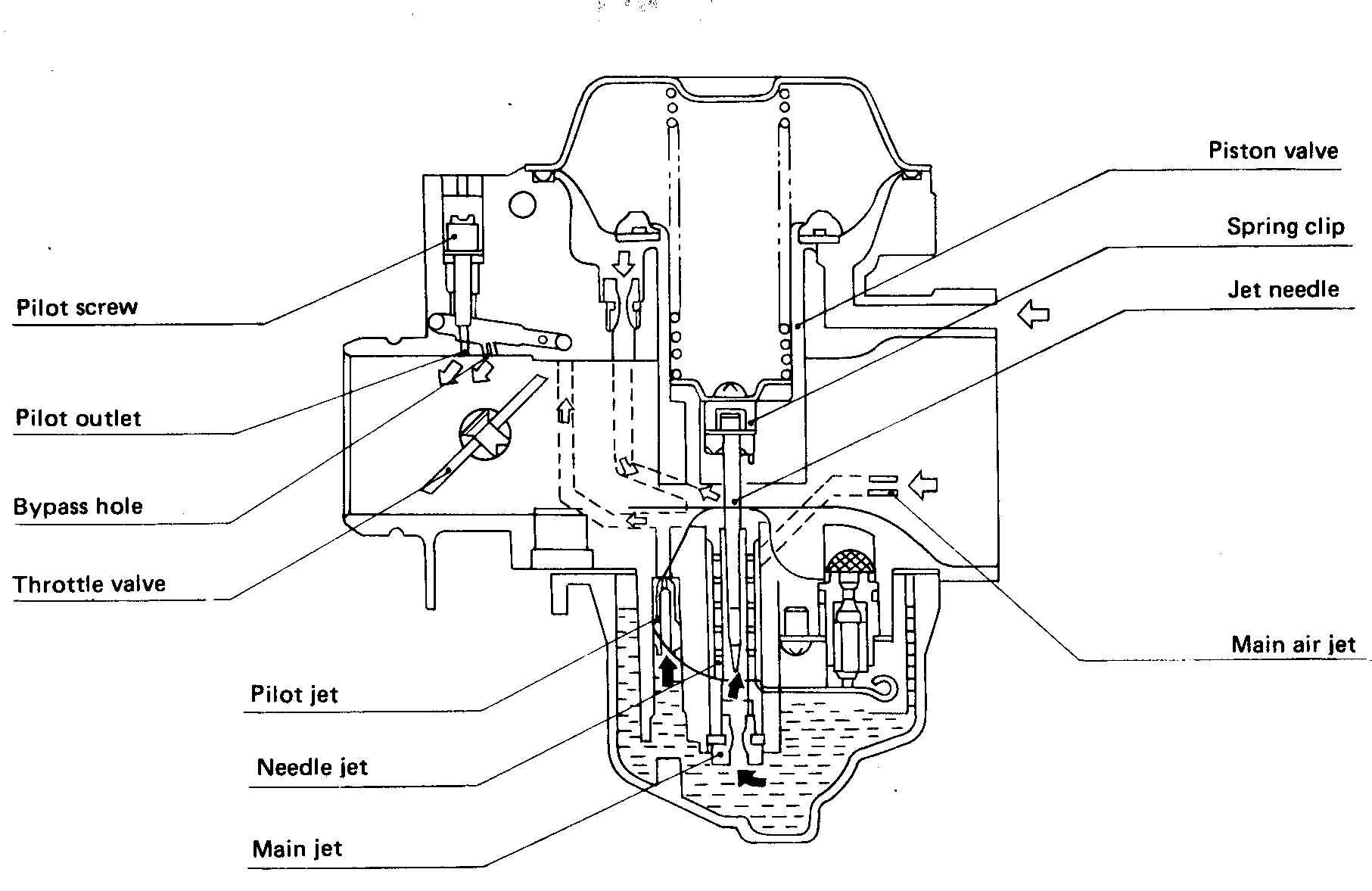
OK....being the curious type....I want to know what that hole and tube does? Why would it be a seperate hole, with a restricted fuel flow?
Is that somehow related to the Enrichment Knob or TEV?
The brass tube and function are not shown in the diagram that I have for the CV carb - but the diagram does show the opening in the float bowl cross section.
Back to top
CVCarbFlow_002.jpg
Someday I will be old......But not today!
IP Logged
doh13
Junior Member
Offline
SuzukiSavage.com
Rocks!
Posts: 67
NS CANADA
Re: Carb float bowl question (pic included)
Reply #13 -
05/22/14 at 06:04:14
I was thinking it might be something to do with the enrichment valve as well but i am also curious as to what it does I see no mention of it.
Back to top
IP Logged
justin_o_guy2
Serious Thumper
Offline
What happened?
Posts: 55279
East Texas, 1/2 dallas/la.
Re: Carb float bowl question (pic included)
Reply #14 -
05/22/14 at 10:48:53
What are you cleaning that carb up for? Aint nothin WRONG with that carb,, man,, Little fresh gas a maybe a million miles its flush out all by itself..
Gracious,, thats a mess.. You know the history of it? How it got like that?
I dont run wires thru holes unless the little red tube on my can of carb cleaner cant seem to blast the crap out. WATCH Your Eyes..
I have been seen using cutting tip cleaners on stubborn areas, Tiny little round file thingies they are,,
If an aquarium got that ugly the fish would be dead,,
Back to top
The people never give up their liberties but under some delusion.- Edmund Burke.
IP Logged
Pages:
1
2
‹
Previous topic
|
Next topic
›
Forum Jump »
» 10 most recent posts
» 10 most recent topics
General Category
»» Rubber Side Down!
- Technical Documents/Reference
- The Marketplace
- The Cafe
- Politics, Religion (Tall Table)
- Forum Upgrade Issues / Tests
« Home
« Home
SuzukiSavage.com
12/25/25 at 03:14:54
›
General Category
›
Rubber Side Down!
› Carb float bowl question (pic included)
SuzukiSavage.com
» Powered by
YaBB 2.2
!
YaBB
© 2000-2007. All Rights Reserved.