Home
Forum
Search
Login
Register
Merch
Donate
Welcome, Guest. Please
Login
or
Register
::
View Members
SuzukiSavage.com
›
General Category
›
Rubber Side Down!
› Why does Idle fall when braking?
(Moderators:
verslagen1
,
Dave
,
Serowbot
)
‹
Previous topic
|
Next topic
›
Pages: 1
Why does Idle fall when braking? (Read 67 times)
sailorcolin
Junior Member
Offline
Building a street
tracker!
Posts: 77
Rock Hill, SC
Gender:
Why does Idle fall when braking?
05/29/14 at 07:38:49
Why does the idling fall under braking? Is it because of the float in the carb?
Back to top
99 Savage Street Tracker build.
IP Logged
Dave
YaBB Moderator
ModSquad
Offline
SuzukiSavage.com
Rocks!
Posts: 18587
Camp Springs, Kentucky
Gender:
Re: Why does Idle fall when braking?
Reply #1 -
05/29/14 at 07:43:57
Most likely it is because you have closed the throttle quickly, and the mixture has gone lean as the engine slows down with a closed throttle.
Raising the idle speed can help to reduce this a bit.
Back to top
Someday I will be old......But not today!
IP Logged
justin_o_guy2
Serious Thumper
Offline
What happened?
Posts: 55279
East Texas, 1/2 dallas/la.
Re: Why does Idle fall when braking?
Reply #2 -
05/29/14 at 08:36:50
Id "Lean" that way,,, Mine used to shut off when Id be runnin 70, pull the clutch & let the gas slap shut & grab the brakes.. jacked the idle speed up & it stopped shutting off,.,It did drop a little,, but you may be a little slow in the idle rpm,,
Back to top
The people never give up their liberties but under some delusion.- Edmund Burke.
IP Logged
Spamy
Full Member
Offline
SuzukiSavage.com
Rocks!
Posts: 224
Re: Why does Idle fall when braking?
Reply #3 -
05/29/14 at 08:36:52
Ive noticed this also. I suspected that it was the gas flowing forward and losing the gravity fed gas pressure, or getting air in the line.
But, I also think in the 15 seconds of braking thats not likely to happen. So Im not sure. But I know it happens on mine, and if the tank is lower level and I brake hard it will sputter out also.
Back to top
IP Logged
Dave
YaBB Moderator
ModSquad
Offline
SuzukiSavage.com
Rocks!
Posts: 18587
Camp Springs, Kentucky
Gender:
Re: Why does Idle fall when braking?
Reply #4 -
05/29/14 at 13:27:22
Spamy wrote
on 05/29/14 at 08:36:52:
Ive noticed this also. I suspected that it was the gas flowing forward and losing the gravity fed gas pressure, or getting air in the line.
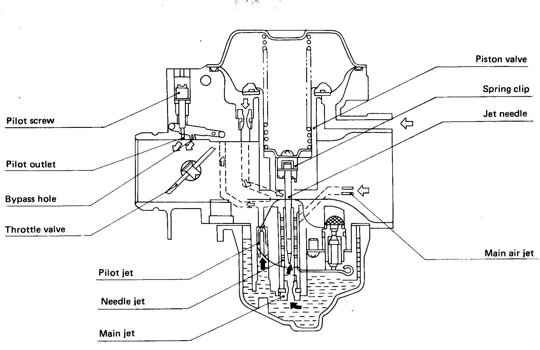
Look at ths diagram. The jet location is smack dab in the center of the float bowl. As the level of the gas changes with braking.....it might slosh forward and become high in the front and low in the back of the bowl....but the level in the center will be nearly constant. You can't brake hard enough to get the fuel to starve the jets - unless you do a "stoppie"!
Sudden hard braking and quick closing of the throttle makes a high vacuum in the carb throat and a lot of air if pulled past the slide and butterfly - but the closed throttle position closes off the fuel jets so very little fuel can flow. The engine is running very lean - so lean that sometimes it can stop running.
Dave
Back to top
CVCarbFlow_003.jpg
Someday I will be old......But not today!
IP Logged
sailorcolin
Junior Member
Offline
Building a street
tracker!
Posts: 77
Rock Hill, SC
Gender:
Re: Why does Idle fall when braking?
Reply #5 -
05/30/14 at 06:32:24
thanks guys!
Back to top
99 Savage Street Tracker build.
IP Logged
Pages: 1
‹
Previous topic
|
Next topic
›
Forum Jump »
» 10 most recent posts
» 10 most recent topics
General Category
»» Rubber Side Down!
- Technical Documents/Reference
- The Marketplace
- The Cafe
- Politics, Religion (Tall Table)
- Forum Upgrade Issues / Tests
« Home
« Home
SuzukiSavage.com
12/22/25 at 11:28:18
›
General Category
›
Rubber Side Down!
› Why does Idle fall when braking?
SuzukiSavage.com
» Powered by
YaBB 2.2
!
YaBB
© 2000-2007. All Rights Reserved.