Home
Forum
Search
Login
Register
Merch
Donate
Welcome, Guest. Please
Login
or
Register
::
View Members
SuzukiSavage.com
›
General Category
›
Rubber Side Down!
› New Member - A Few questions
(Moderators:
verslagen1
,
Dave
,
Serowbot
)
‹
Previous topic
|
Next topic
›
Pages:
1
2
3
New Member - A Few questions (Read 324 times)
Dave
YaBB Moderator
ModSquad
Offline
SuzukiSavage.com
Rocks!
Posts: 18619
Camp Springs, Kentucky
Gender:
Re: New Member - A Few questions
Reply #15 -
09/03/15 at 04:25:35
Steve H wrote
on 09/03/15 at 04:04:22:
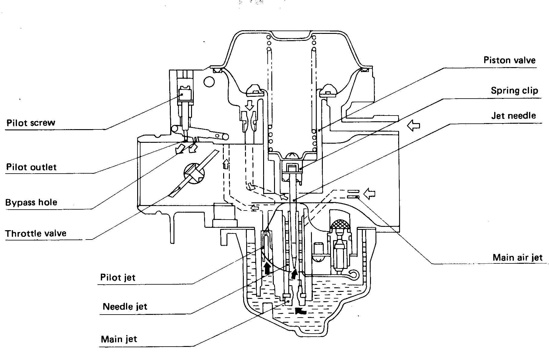
The idle circuit outputs beyond the butterfly. Between the butterfly and the engine if I remember correctly.
Yes, the small holes are right at the edge of the butterfly - so that the air rushing past the edge of the butterfly picks up the fuel/air fog coming out of those holes.
Back to top
cv-carb-pictures-i9.jpg
Someday I will be old......But not today!
IP Logged
Gary_in_NJ
Serious Thumper
Offline
LS650 Cafe Racer
Posts: 2655
Amongst the Twisty Roads
Re: New Member - A Few questions
Reply #16 -
09/03/15 at 05:22:08
The idle problem is due to a clogged pilot jet. You can clean it, put the bike back together, and then come to the conclusion that the stock jet is too lean. So I'd bypass a step or two and just replace the pilot jet with a 50. Cleaning jets sucks anyway. Oh, when you get the screws out of the carb, replace them with M4 hex heads.
You mentioned that you changed the oil with 10-40 synth. Is this a motorcycle blend or an automotive blend? If it's an auto blend I'd drain it and go to motorcycle specific blend, or even better (because it's inexpensive) you can use Shell Rotella 15w-40.
Back to top
A life-time student of motorcycling.
LS650 Cafe, DRZ400SM, FZ6N, SV650S, CB900C, Ducati ST2, CB550F-SS
My LS650=>
http://suzukisavage.com/yabb2.2/Attachments/Left.JPG
IP Logged
Jstat
YaBB Newbies
Offline
What a long strange
trip it's been.
Posts: 15
St. Louie
Gender:
Re: New Member - A Few questions
Reply #17 -
09/03/15 at 15:48:58
I rode the bike to work today, about 60 miles round-trip. All the sudden it is idling properly and not dying. Could it be that the seafoam I had in the tank cleaned out the pilot jet? Or am I being too optimistic?
Back to top
Jstat
2007 S40 - Dyna - Raptor
IP Logged
justin_o_guy2
Serious Thumper
Offline
What happened?
Posts: 55279
East Texas, 1/2 dallas/la.
Re: New Member - A Few questions
Reply #18 -
09/03/15 at 16:15:33
If it was just slightly restricted, it's possible the Foam flushed it out. If a jet is plugged, then, no..
Back to top
The people never give up their liberties but under some delusion.- Edmund Burke.
IP Logged
Jstat
YaBB Newbies
Offline
What a long strange
trip it's been.
Posts: 15
St. Louie
Gender:
Re: New Member - A Few questions
Reply #19 -
09/03/15 at 20:01:50
Gary_in_NJ wrote
on 09/03/15 at 05:22:08:
So I'd bypass a step or two and just replace the pilot jet with a 50. Cleaning jets sucks anyway.
I called a local motorsports parts place and they sent me this pic of the 50 mikuni pilot jets they have in stock. These look different than the pictures I've seen on this site. Again I'm a novice when it comes to carburetor work. Are there different types of number 50 Mikuni pilot jets?
Back to top
image_314.jpg
Jstat
2007 S40 - Dyna - Raptor
IP Logged
Yoshi
Serious Thumper
Offline
SuzukiSavage.com
Rocks!
Posts: 887
LongIsland, N.Y.
Gender:
Re: New Member - A Few questions
Reply #20 -
09/03/15 at 20:36:35
Those are the wrong ones, tell the shop its for a suzuki savage
I bet they can look it up
Back to top
IP Logged
verslagen1
YaBB Moderator
ModSquad
Offline
Where there's a
will, I want to be
in it.
Posts: 29042
L.A. California
Gender:
Re: New Member - A Few questions
Reply #21 -
09/03/15 at 20:43:46
Mikuni CV (stock) model carburetor jets
Main jets: N100.604 large round, list price $3.68 ea
Pilot jets: BS 30/96 (bleed type ... side holes) list price $3.68 ea
N151.067 (non bleed type ... no side holes) list price $5.78 ea
Back to top
Versey's Place
Tech Section Index
IP Logged
Jstat
YaBB Newbies
Offline
What a long strange
trip it's been.
Posts: 15
St. Louie
Gender:
Re: New Member - A Few questions
Reply #22 -
09/04/15 at 19:12:03
Gotta be a better way to spend a Friday night.
. Picked up a 50 pilot w/ bleed holes and a 150 main. I get it back in the bike tomorrow then commence the Dyna install.
Back to top
image_315.jpg
Jstat
2007 S40 - Dyna - Raptor
IP Logged
justin_o_guy2
Serious Thumper
Offline
What happened?
Posts: 55279
East Texas, 1/2 dallas/la.
Re: New Member - A Few questions
Reply #23 -
09/04/15 at 19:50:08
Tidy, good for a star on the scoreboard.
Back to top
The people never give up their liberties but under some delusion.- Edmund Burke.
IP Logged
Kenny G
Serious Thumper
Offline
SuzukiSavage.com The
Singles Club...LOL
Posts: 1754
Robson Ranch, Denton, Texas
Gender:
Re: New Member - A Few questions
Reply #24 -
09/04/15 at 20:26:51
Jstat,
While you have the carburetor off of the engine it would be a good time to clean the Transient Enrichment Valve. It is the gizmo on the side of the carburetor held on with three small screws. There is a spring in there so hold onto the cover with your thumb when you take the last screw out.
Wash the rubber diaphragm with soap and water NOT Carb Cleaner.
Kenny G
Back to top
Transient_Enrichment_Valve_2.jpg
IP Logged
Jstat
YaBB Newbies
Offline
What a long strange
trip it's been.
Posts: 15
St. Louie
Gender:
Re: New Member - A Few questions
Reply #25 -
09/04/15 at 20:40:08
Good call, Kenny. I'll do that now. Had a heck of a time getting the pilot jet out. Ended up stripping it. Had to drill it and then hit it with a torque bit. Came out easy after that.
Back to top
Jstat
2007 S40 - Dyna - Raptor
IP Logged
justin_o_guy2
Serious Thumper
Offline
What happened?
Posts: 55279
East Texas, 1/2 dallas/la.
Re: New Member - A Few questions
Reply #26 -
09/04/15 at 21:02:51
Kenny G wrote
on 09/04/15 at 20:26:51:
Jstat,
While you have the carburetor off of the engine it would be a good time to clean the Transient Enrichment Valve. It is the gizmo on the side of the carburetor held on with three small screws. There is a spring in there so hold onto the cover with your thumb when you take the last screw out.
Wash the rubber diaphragm with soap and water NOT Carb Cleaner.
Kenny G
That's the
Before
picture, right?
Back to top
The people never give up their liberties but under some delusion.- Edmund Burke.
IP Logged
Kenny G
Serious Thumper
Offline
SuzukiSavage.com The
Singles Club...LOL
Posts: 1754
Robson Ranch, Denton, Texas
Gender:
Re: New Member - A Few questions
Reply #27 -
09/04/15 at 21:03:26
Yes
Back to top
IP Logged
justin_o_guy2
Serious Thumper
Offline
What happened?
Posts: 55279
East Texas, 1/2 dallas/la.
Re: New Member - A Few questions
Reply #28 -
09/04/15 at 21:06:57
Well, that's good. Looks like you're gonna get to keep the star on the scoreboard. You do know that an
After
pic woulda got you a coupla more stars, right?
Well, as long as it's strikingly different.
Back to top
The people never give up their liberties but under some delusion.- Edmund Burke.
IP Logged
Kenny G
Serious Thumper
Offline
SuzukiSavage.com The
Singles Club...LOL
Posts: 1754
Robson Ranch, Denton, Texas
Gender:
Re: New Member - A Few questions
Reply #29 -
09/04/15 at 21:38:02
Justin,
I pirated that pic off of the forum.
My valve wasn't that dirty, but cleaning the passageways did cut down on the after firing.
I can post a pic that I know you will like and I am going to be there tomorrow......LOL
Kenny G
Back to top
Bikini_Bike_Wash.jpg
IP Logged
Pages:
1
2
3
‹
Previous topic
|
Next topic
›
Forum Jump »
» 10 most recent posts
» 10 most recent topics
General Category
»» Rubber Side Down!
- Technical Documents/Reference
- The Marketplace
- The Cafe
- Politics, Religion (Tall Table)
- Forum Upgrade Issues / Tests
« Home
« Home
SuzukiSavage.com
01/23/26 at 01:23:23
›
General Category
›
Rubber Side Down!
› New Member - A Few questions
SuzukiSavage.com
» Powered by
YaBB 2.2
!
YaBB
© 2000-2007. All Rights Reserved.