Donate!
Welcome, Guest. Please Login or Register :: View Members
Pages: 1 2 3 4
Send Topic Print
Need help with wiring for battery (Read 408 times)
DAldrich2516
YaBB Newbies
*
Offline

Motorcycle
Apprentice

Posts: 16
Connecticut
Gender: male
Need help with wiring for battery
11/28/17 at 12:53:01
 
Hello all,

Before I begin, I just bought this bike and am new to this forum. I have searched the forum to try and find the answer to my question, to no avail. If I missed a forum already covering this, please let me know; it's not just me being lazy. Here goes nothing...

I was in Ohio for work and just bought a 2008 Savage a week and a half ago. Stock as they come. No modifications done (yet), roughly 4500 miles on it. 1 previous owner, who bought it, thought it was too much, and sold it. I have basic mechanical knowledge - an engineering degree while still building up the hands-on skills. Go ahead, let the jokes fly lol. Located in Connecticut.

Before I bought the bike, I took it for a test ride. Worked absolutely fine, no problems whatsoever. No areas of concern whatsoever. Signed the paperwork, clean title, I mean, honestly, this bike seems like it could have been brand new.

Loaded it up on the truck, strapped her in, and drove home. Took it off the truck and put it in the garage. Next day, I tried to turn it on (being the kid with a brand new toy), and it wouldn't start. Nothing. No engine turn over, no lights, nothing.

Thought to myself it would be rather strange, but maybe the battery is dead for whatever reason. Take the battery cover off and immediately find the wiring going from the battery sitting there right in front of me. Black and red are hooked up on the terminals on the battery, but leaving the battery is completely exposed.

Now besides my first question being how in the hell could this have happened... I tried to solve it, like any good engineer. Grin

I bought the service manual, and found the wiring diagram for my year's bike, but I am confused by what the diagram is showing and what is actually on the bike. Has anybody had this happen? Can you help a newbie with a fix? It honestly seemed pretty straightforward, which is adding to the frustration.

Pictures and explanations will be loaded below.
Back to top
 
 

Only bikers know why a dog sticks his head out the car window!
  IP Logged
Gary_in_NJ
Serious Thumper
*****
Offline

LS650 Cafe Racer

Posts: 2655
Amongst the Twisty Roads
Re: Need help with wiring for battery
Reply #1 - 11/28/17 at 12:58:10
 
Welcome to the forum. With a little more info we can probably get you going.

What does this mean "but leaving the battery is completely exposed"?

Is the battery showing 12.5-12.8VDC? There is a 20A fuse in the wiring harness near the battery. If the battery is showing that it is holding a charge, I'd check that.

If the battery is dead, it was either transported with the ignition switch/key in the on position, or there is a short to ground or drain in the harness.

Back to top
 
 

A life-time student of motorcycling.
LS650 Cafe, DRZ400SM, FZ6N, SV650S, CB900C, Ducati ST2, CB550F-SS
My LS650=> http://suzukisavage.com/yabb2.2/Attachments/Left.JPG
  IP Logged
DAldrich2516
YaBB Newbies
*
Offline

Motorcycle
Apprentice

Posts: 16
Connecticut
Gender: male
Re: Need help with wiring for battery
Reply #2 - 11/28/17 at 13:02:02
 
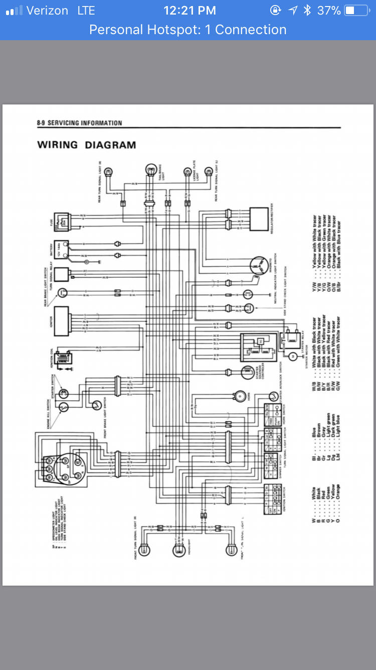
Wiring diagram. Follow the connections from the battery to the fuse box for red wiring and B/W going to tail brake light on one side and engine on the other.
Back to top
 

Wiring_Diagram.PNG

Only bikers know why a dog sticks his head out the car window!
  IP Logged
DAldrich2516
YaBB Newbies
*
Offline

Motorcycle
Apprentice

Posts: 16
Connecticut
Gender: male
Re: Need help with wiring for battery
Reply #3 - 11/28/17 at 13:05:57
 
The fuse box, as determined by google searches and opening it up. Note that all four wires are in there.
Back to top
 

Fuse_Box.jpg

Only bikers know why a dog sticks his head out the car window!
  IP Logged
DAldrich2516
YaBB Newbies
*
Offline

Motorcycle
Apprentice

Posts: 16
Connecticut
Gender: male
Re: Need help with wiring for battery
Reply #4 - 11/28/17 at 13:07:12
 
This was the 2 to 1 connection as shown on the wiring diagram.
Back to top
 

2_to_1_Connection.jpg

Only bikers know why a dog sticks his head out the car window!
  IP Logged
Gary_in_NJ
Serious Thumper
*****
Offline

LS650 Cafe Racer

Posts: 2655
Amongst the Twisty Roads
Re: Need help with wiring for battery
Reply #5 - 11/28/17 at 13:09:19
 
If the fuse is in good condition, the cables from the battery are secure, and you have voltage, then the problem is probably a loose connection at the ignition switch. There is a green connector attached to the harness from the key switch. Disconnect it and check for corrosion or a lose terminal or pin. Reconnect the to the harness and see if that clears the problem. If not, I'd check continuity through the connector and through the switch itself.

Red wires are (+) and are not switched, orange wires are (+) after the switch.
Back to top
 
 

A life-time student of motorcycling.
LS650 Cafe, DRZ400SM, FZ6N, SV650S, CB900C, Ducati ST2, CB550F-SS
My LS650=> http://suzukisavage.com/yabb2.2/Attachments/Left.JPG
  IP Logged
justin_o_guy2
Serious Thumper
*****
Offline

What happened?

Posts: 55279
East Texas, 1/2 dallas/la.
Re: Need help with wiring for battery
Reply #6 - 11/28/17 at 13:09:31
 
Known

It started and ran.

So, what's NOT wired correctly?

No blown fuses?

Test that battery.
Don't FIX anything until you know if that battery is good.
Back to top
 
 

The people never give up their liberties but under some delusion.- Edmund Burke.
  IP Logged
Gary_in_NJ
Serious Thumper
*****
Offline

LS650 Cafe Racer

Posts: 2655
Amongst the Twisty Roads
Re: Need help with wiring for battery
Reply #7 - 11/28/17 at 13:15:51
 
justin_o_guy2 wrote on 11/28/17 at 13:09:31:
Known

It started and ran.

So, what's NOT wired correctly?



Just because it ran on test drive day doesn't mean there isn't a problem. Sellers are known to do bad things.

justin_o_guy2 wrote on 11/28/17 at 13:09:31:
Test that battery.
Don't FIX anything until you know if that battery is good.


I'd start there. Even if the battery is dead, give it a good charge to see if it holds a charge 1) attached to the bake and 2) not attached to the bike.

Don't rip into things just yet.

If you can get her running you can check the voltage to determine if the charging system is working.

Back to top
 
 

A life-time student of motorcycling.
LS650 Cafe, DRZ400SM, FZ6N, SV650S, CB900C, Ducati ST2, CB550F-SS
My LS650=> http://suzukisavage.com/yabb2.2/Attachments/Left.JPG
  IP Logged
DAldrich2516
YaBB Newbies
*
Offline

Motorcycle
Apprentice

Posts: 16
Connecticut
Gender: male
Re: Need help with wiring for battery
Reply #8 - 11/28/17 at 13:19:46
 
Hopefully this picture is clear. So this is the wiring coming off of the fuse box. There is another red wiring that runs up the length of the frame, and underneath the gas tank. I'm sorry, but I don't remember where it goes to. I'll have to look again later. Please advise on any incorrect info I labeled in the picture.
Back to top
 

positive_wiring.jpg

Only bikers know why a dog sticks his head out the car window!
  IP Logged
DAldrich2516
YaBB Newbies
*
Offline

Motorcycle
Apprentice

Posts: 16
Connecticut
Gender: male
Re: Need help with wiring for battery
Reply #9 - 11/28/17 at 13:22:45
 
So there is a slot that is open on this connector, with the black and red wire connected on the bottom. Although the wiring diagram says "B/W" it is actually a "B/R" wire for the negative terminal. Any chance it could go on top?
Back to top
 

Negative_Wiring.jpg

Only bikers know why a dog sticks his head out the car window!
  IP Logged
Gary_in_NJ
Serious Thumper
*****
Offline

LS650 Cafe Racer

Posts: 2655
Amongst the Twisty Roads
Re: Need help with wiring for battery
Reply #10 - 11/28/17 at 13:26:02
 
SLOW DOWN!

If the bike ran before, it should run again. Riding on a trailer from OH to CT usually doesn't destroy a wire harness. But an engineer looking for problems usually does.

What is the condition of the battery?
Does it hold a static charge?
Do you have continuity through the fuse circuit?
Do you have continuity through the switch?

LEAVE THE HARNESS ALONE FOR NOW.
Back to top
 
 

A life-time student of motorcycling.
LS650 Cafe, DRZ400SM, FZ6N, SV650S, CB900C, Ducati ST2, CB550F-SS
My LS650=> http://suzukisavage.com/yabb2.2/Attachments/Left.JPG
  IP Logged
justin_o_guy2
Serious Thumper
*****
Offline

What happened?

Posts: 55279
East Texas, 1/2 dallas/la.
Re: Need help with wiring for battery
Reply #11 - 11/28/17 at 13:26:47
 
The single most important thing is
Remain cool and be patient.
We can walk you through this
But not being there makes it slower.
It Ran.
Didn't melt wires.
I'm betting the guy charged a crap battery up.
If the wiring was wrong, odds are it would blow a fuse or melt wires.
If you aren't certain about how things go, use tape, make labels, take pictures,
Back to top
 
 

The people never give up their liberties but under some delusion.- Edmund Burke.
  IP Logged
DAldrich2516
YaBB Newbies
*
Offline

Motorcycle
Apprentice

Posts: 16
Connecticut
Gender: male
Re: Need help with wiring for battery
Reply #12 - 11/28/17 at 13:34:04
 
OK, I appreciate the quick feedback all! I will answer these one by one.

Gary_in_NJ (1) - I think you picked up on this by now, but the wiring leaving the battery was exposed. The wiring that is supposed to be connected to the battery was properly connected. I have not yet checked the battery voltage, but I will tonight. The key was taken out of the ignition before I left.

justin_o_guy2 - See answer above. Fuses appear to be fine.


Gary_in_NJ (2) - True, but the guy had the bike running and guided it up the ramp. Call me naive, but I think that would be a pretty quick move if he did that.

OK, I do understand checking the battery and will do so. But it was not the battery that was the issue. The wiring LEAVING the battery was exposed. I can send a picture if this is not clear.
Back to top
 
 

Only bikers know why a dog sticks his head out the car window!
  IP Logged
Gary_in_NJ
Serious Thumper
*****
Offline

LS650 Cafe Racer

Posts: 2655
Amongst the Twisty Roads
Re: Need help with wiring for battery
Reply #13 - 11/28/17 at 13:43:33
 
Yeah, I'd get some electrical tape on the exposed red and orange wires. After they are tape wrapped I'd also ziptie them to the adjacent harness so they don't more around.

Your harness probably isn't scorched, the fuse would have blown. And as crappy as the wire harness looks...well...that's what a harness looks like on a budget bike. I don't know why the tape on those positive wires was removed...could have been how the previous owner decided to charge the battery without having to remove it. People do strange things.

Let's get it running, then you can get it right once you understand what it is you have and how it's working.
Back to top
 
 

A life-time student of motorcycling.
LS650 Cafe, DRZ400SM, FZ6N, SV650S, CB900C, Ducati ST2, CB550F-SS
My LS650=> http://suzukisavage.com/yabb2.2/Attachments/Left.JPG
  IP Logged
verslagen1
YaBB Moderator
ModSquad
*****
Offline

Where there's a
will, I want to be
in it.

Posts: 29042
L.A. California
Gender: male
Re: Need help with wiring for battery
Reply #14 - 11/28/17 at 14:47:49
 
Won't start?

kickstand down? must be in neutral.
kill/run switch?
ig switch?
clutch in?

push the button.
Back to top
 
 
WWW   IP Logged
Pages: 1 2 3 4
Send Topic Print


« Home

 
« Home
SuzukiSavage.com
12/23/25 at 10:38:30



General CategoryRubber Side Down! › Need help with wiring for battery


SuzukiSavage.com » Powered by YaBB 2.2!
YaBB © 2000-2007. All Rights Reserved.