Donate!
Welcome, Guest. Please Login or Register :: View Members
Pages: 1 2 3 
Send Topic Print
M Unit wiring (Read 414 times)
Armen
Serious Thumper
*****
Offline

Half-Witted
Wrench-Jockey from
Jersey

Posts: 1454

Re: M Unit wiring
Reply #30 - 06/02/20 at 14:39:04
 
Not sure which one you have. On mine, using the M-Button, the skinny green wire goes to the 'config' input. The rear brake light switch goes to the brake light input on the left side of the M-Unit.
Back to top
 
 

In theory, theory and reality are the same. In reality, they aren't...
  IP Logged
ghryx
YaBB Newbies
*
Offline

argh.

Posts: 40

Re: M Unit wiring
Reply #31 - 06/02/20 at 16:07:30
 
I've got the newer one - it goes to the "Kill" input (There's no "config" input anymore) - but that totally answers my question! Thanks!
Back to top
 
 
  IP Logged
ghryx
YaBB Newbies
*
Offline

argh.

Posts: 40

Re: M Unit wiring
Reply #32 - 06/18/20 at 09:23:06
 
ZSteele, how did you manage to keep the decomp circuit?  I've been talking with the Revival guys, and they're even a little baffled by it.  I'm using an m.button-to-m.unit config to reduce the amount of wiring, but the diagram they sent me has a wire from the start switch going to the decomp controller - and with my new push-buttons and the m.button, I don't have a way to do that now.  Very perplexed. How did you wire it in?

I think I understand the rest involving the CDI (which apparently isn't a true CDI. Thanks Suzuki.) tied to the ignition output on the m.unit.
Back to top
 
 
  IP Logged
ZSteele
Senior Member
****
Offline

I'll finish it
tomorrow

Posts: 253

Re: M Unit wiring
Reply #33 - 06/18/20 at 14:48:59
 
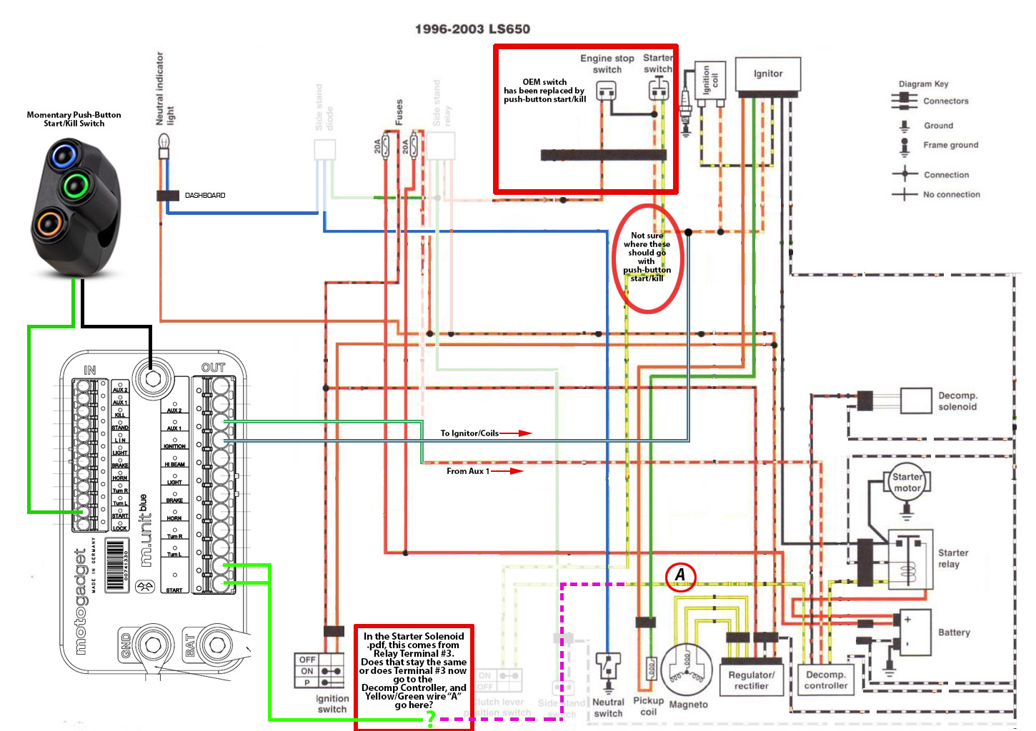
http://suzukisavage.com/yabb2.2/Attachments/0714191307_HDR.jpg

This is the wiring diagram I came up with. If I remember correctly I used the same wire colors as the clymer manual. Only thing weird is I ditched the fuses from the stock setup and I'm running a starter solenoid with built in fuses from Revival. Lmk if anything looks wonky and I need to go back and explain what I did.
Back to top
 
 
  IP Logged
ZSteele
Senior Member
****
Offline

I'll finish it
tomorrow

Posts: 253

Re: M Unit wiring
Reply #34 - 06/18/20 at 14:51:20
 
Looking at it real quickly I did start switch to decomp and it's spliced off to the starter solenoid. That line is coming from the m.unit itself and I'm not sure how you would wire this without a button dedicated to starting the bike. Can you explain your handlebar setup?
Back to top
 
 
  IP Logged
ghryx
YaBB Newbies
*
Offline

argh.

Posts: 40

Re: M Unit wiring
Reply #35 - 06/18/20 at 15:02:34
 
I'm using five momentary-on buttons in place of all the old OEM analog switches.  I -think- the wiring diagram you sketched up is pretty close to what I've figured out based on what the Revival guys sent me.  I just shot this back to them to see what they think.

Ignore some of the greyed-out stuff on it and rogue wires that seem to go nowhere, I just wanted to get the signal flow figured out and then worry about how the safety stuff interacts after.

Back to top
 

Savage_LS650_m-Unit_question.jpg
  IP Logged
ZSteele
Senior Member
****
Offline

I'll finish it
tomorrow

Posts: 253

Re: M Unit wiring
Reply #36 - 06/18/20 at 16:45:07
 
Are you using their starter solenoid or the stocker? If you're using theirs my drawing has the wires in the same location as their diagrams. I dont remember which terminals are which numbers but if you just side by side theirs with mine it'll line up.

Also the green wire with x's coming from the solenoid on my diagram is null. Disregard it!
Back to top
 
 
  IP Logged
ghryx
YaBB Newbies
*
Offline

argh.

Posts: 40

Re: M Unit wiring
Reply #37 - 06/18/20 at 18:34:27
 
Cool, thanks!
Yeah, I'm using their solenoid.  So you didn't use the 'ignition' out terminal on the m.unit then, just the aux1? Interesting. I'll start mucking about with this tomorrow.  

Very much appreciated.  Cool
Back to top
 
 
  IP Logged
ghryx
YaBB Newbies
*
Offline

argh.

Posts: 40

Re: M Unit wiring
Reply #38 - 06/18/20 at 18:47:42
 
Oh - one other question - you have just one green coming from "Start" - when I first was looking at other diagrams they had two leads coming from both "Start" terminals and spliced together before heading to the clutch/decomp controller - our bikes don't need that much juice, correct?  
Back to top
 
 
  IP Logged
ZSteele
Senior Member
****
Offline

I'll finish it
tomorrow

Posts: 253

Re: M Unit wiring
Reply #39 - 06/18/20 at 20:33:08
 
I cant remember exactly what the m.unit uses ignition for but I found that using start was fine and the thing I missed the first time around was getting constant power to the ignitor box.

Correct, only one wire.
Back to top
 
 
  IP Logged
ZSteele
Senior Member
****
Offline

I'll finish it
tomorrow

Posts: 253

Re: M Unit wiring
Reply #40 - 06/18/20 at 20:38:18
 
Just checked out the manual and it looks like the correct way to run things is plugging the ignitor into ignition. Only difference is the aux2 puts out 20 amps versus the ignitions 10a. I'd switch it to ignition if it works, I'll try that on my setup when I get around to working on it again. In any case the 20a ran fine.
Back to top
 
 
  IP Logged
Pages: 1 2 3 
Send Topic Print


« Home

 
« Home
SuzukiSavage.com
01/27/26 at 20:03:48



General CategoryRubber Side Down! › M Unit wiring


SuzukiSavage.com » Powered by YaBB 2.2!
YaBB © 2000-2007. All Rights Reserved.