Donate!
Welcome, Guest. Please Login or Register :: View Members
Pages: 1
Send Topic Print
m.unit wiring + extras (Read 45 times)
ZSteele
Senior Member
****
Offline

I'll finish it
tomorrow

Posts: 253

m.unit wiring + extras
05/10/19 at 11:10:58
 
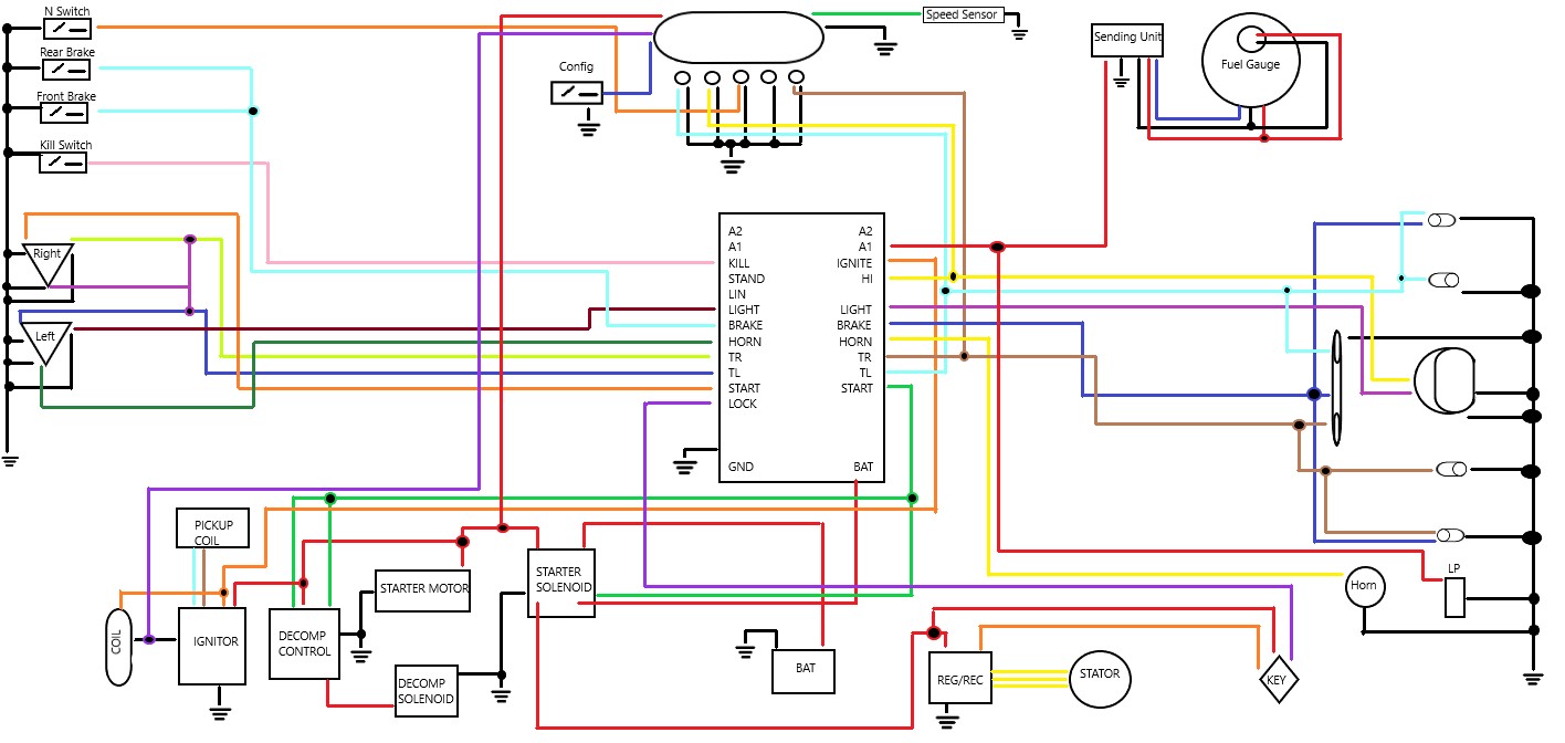
A quick search of the forums showed no hits for m.units. Is my planned setup overkill? Absolutely, but its not a supercharger so I figure its not that farfetched. For this I'm planning on keeping the decomp system as is and the replacing the starter relay and main fuses with a starter solenoid with built in fuses. This should bypass sidestand relay, side stand switch, and clutch switch. The only things on the handlebars that will stay OEM are the brake and clutch levers (I'll replace those later when I refresh all the oils).

Whered I mess up?
Back to top
 

WiringDiagram.jpg
  IP Logged
batman
Serious Thumper
*****
Offline

SuzukiSavage.com
Rocks!

Posts: 3806
osceola new york
Gender: male
Re: m.unit wiring + extras
Reply #1 - 05/10/19 at 13:06:50
 
Maybe you should rethink the supercharger Roll Eyes  Where did you mess up? I don't understand your diagram to begin with, but the mistakes are many ,and I don't know where to begin.
Back to top
 
 

my old work mates called me MacGyver
  IP Logged
ZSteele
Senior Member
****
Offline

I'll finish it
tomorrow

Posts: 253

Re: m.unit wiring + extras
Reply #2 - 05/10/19 at 13:21:15
 
Don't tempt me batman, I've read that thread more than a couple of times.
Back to top
 
 
  IP Logged
ohiomoto
Serious Thumper
*****
Offline

SuzukiSavage.com
Rocks!

Posts: 2839

Re: m.unit wiring + extras
Reply #3 - 05/10/19 at 14:11:38
 
I'm not a fan of bypassing the clutch safety switch on electric start bikes.
Back to top
 
 
  IP Logged
ZSteele
Senior Member
****
Offline

I'll finish it
tomorrow

Posts: 253

Re: m.unit wiring + extras
Reply #4 - 05/10/19 at 14:18:59
 
I'll add that I would like to keep one check in, most likely clutch. The main thing I wanted checked on the diagram was the power/ignition system. Also the solenoid im swapping inplace of the OEM has fuses built in.
Back to top
 
 
  IP Logged
Pages: 1
Send Topic Print


« Home

 
« Home
SuzukiSavage.com
12/21/25 at 19:29:22



General CategoryRubber Side Down! › m.unit wiring + extras


SuzukiSavage.com » Powered by YaBB 2.2!
YaBB © 2000-2007. All Rights Reserved.