Donate!
Welcome, Guest. Please Login or Register :: View Members
Pages: 1 2 3 ... 5
Send Topic Print
gtnerd - Scrambler Build (Read 1022 times)
gtenginerd
Junior Member
**
Offline

SuzukiSavage.com
Rocks!

Posts: 88
MO
gtnerd - Scrambler Build
01/17/21 at 16:32:18
 
Edit: since this is becoming a build thread, I'll start going back and adding any important details of how I've gotten to where I am now. For now, I'll replace the starting carb pic with a pic of the bike the day my dad dropped it off. He's getting older and riding less. He needed some space in his garage, so I was the lucky recipient of the bike he rarely rode.

Seat, tank, carb, battery box, air box muffler and header all off yesterday.

Today I rejetted the carb to 50/150, and cleaned it as well as possible. First question: I read something about a white spacer and a washer mod, but couldn't find details. Wut y'all talkin' 'bout? Smiley

Got the K&N cone filter dry fitted to the carb.

I was looking into removing the rear fender, but didn't have anything to label the electrical wires, so I stopped. Second question: what's the thing that looks like a heat sink between the fender and seat? Does that need to remain?

Cognito Moto rearsets came in, so I'm looking into building the rearset brackets. Planning to get bar and tube stock, make all the pieces and have a custom metal shop down the street do the welding.

Last question: Anyone have suggestions for a battery box?
Back to top
« Last Edit: 02/25/21 at 20:16:46 by gtenginerd »  

20200820_131041.jpg
  IP Logged
Gary_in_NJ
Serious Thumper
*****
Offline

LS650 Cafe Racer

Posts: 2655
Amongst the Twisty Roads
Re: It has Begun
Reply #1 - 01/17/21 at 17:36:14
 
What has begun?

The heat sink looking thing is the regulator/rectifier. It must remain as part of the harness, and it requires air flow to ensure a long life.

Depending on what as begun may dictate what you can/will do with the battery box, and maybe the R/R.

The white spacer mod is a way of shimming the needle to a higher position. Two #4 washers will accomplish the same result as shaving the white spacer.
Back to top
 
« Last Edit: 01/18/21 at 05:27:52 by Gary_in_NJ »  

A life-time student of motorcycling.
LS650 Cafe, DRZ400SM, FZ6N, SV650S, CB900C, Ducati ST2, CB550F-SS
My LS650=> http://suzukisavage.com/yabb2.2/Attachments/Left.JPG
  IP Logged
gtenginerd
Junior Member
**
Offline

SuzukiSavage.com
Rocks!

Posts: 88
MO
Re: It has Begun
Reply #2 - 01/17/21 at 18:27:26
 
Thanks Gary...

Started the winter project I'd been asking questions about over the past few months.

Trying to do a scrambler/brat style seat (see pic of it laid on bike). I've got the seat loop and seat, just need to figure out what to do once the rear fender is off. Moving the foot controls, and maybe an 18" rear wheel are all that's planned other than that. Hopefully done in time to ride again when it warms up.
Back to top
 

20210117_202020.jpg
  IP Logged
Slowlane
Junior Member
**
Offline

SuzukiSavage.com
Rocks!

Posts: 66

Re: It has Begun
Reply #3 - 01/17/21 at 18:39:26
 
You have no fear....I admire that....the only thing I might add is that you can get a smaller battery and eliminate the battery box completely.  It's a bit expensive but you can even install it upside down.  https://www.amazon.com/gp/product/B008R0L05Y/ref=ox_sc_saved_title_3?smid=ATV...
Back to top
 
 
  IP Logged
Gary_in_NJ
Serious Thumper
*****
Offline

LS650 Cafe Racer

Posts: 2655
Amongst the Twisty Roads
Re: It has Begun
Reply #4 - 01/17/21 at 19:07:57
 
Ok, now that I see what you are doing, why not build an electronics box for the battery, R/R and start solenoid that you can mount under the seat. All you need is some .032 aluminum, a workbench bending brake and some pop rivets.

That rear fender assembly is about 40 pounds and worth eliminating if you can. The bike will have a nice clean look without it.
Back to top
 
 

A life-time student of motorcycling.
LS650 Cafe, DRZ400SM, FZ6N, SV650S, CB900C, Ducati ST2, CB550F-SS
My LS650=> http://suzukisavage.com/yabb2.2/Attachments/Left.JPG
  IP Logged
DragBikeMike
Serious Thumper
*****
Offline

SuzukiSavage.com
Rocks!

Posts: 4601
Honolulu
Re: It has Begun
Reply #5 - 01/17/21 at 23:20:41
 
That looks pretty cool.  I'm likin the handlebar setup.

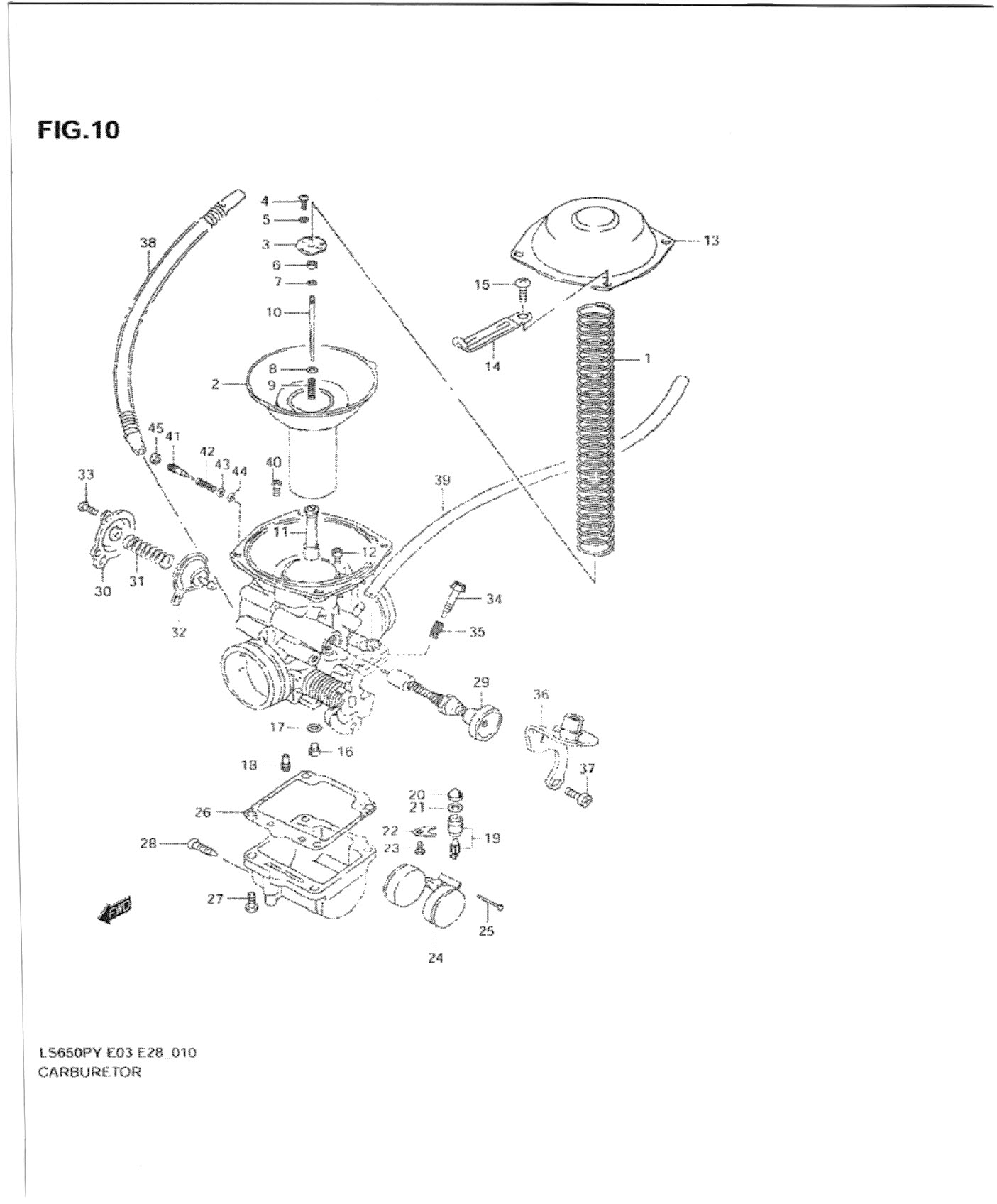
White Spacer Mod:  Reduce the thickness of the plastic washer (piece 6) that sits on top of the eClip (piece 7) for the slide needle (piece 10).  Usually, reducing the thickness by about 50% does the trick.  Thinner equals richer mixture, thicker equals leaner mixture.  I personally prefer to just replace the plastic washer with some #4 steel washers from the hardware store.  That way, you have more adjustability and you preserve the plastic washer so you can restore to stock if you don't like the results.
Back to top
 

Carb_Exploded_View.jpg

Knowledge is power.
  IP Logged
gtenginerd
Junior Member
**
Offline

SuzukiSavage.com
Rocks!

Posts: 88
MO
Re: It has Begun
Reply #6 - 01/18/21 at 09:42:54
 
@Slowlane, love the battery idea. Seeing the picture doesn't do justice for the size. Size, weight, and orientation flexibility, make that an obvious choice for my application.

@Gary, I'd thought about getting a piece of stainless used for kitchen backslashes and doing the same thing. It's .02 thickness instead. Is that a bad idea?

@Mike, thanks. That's helpful. I got the carb kit from lancer and am guessing that's what the 3 random washer were, lol.
Back to top
 
 
  IP Logged
Gary_in_NJ
Serious Thumper
*****
Offline

LS650 Cafe Racer

Posts: 2655
Amongst the Twisty Roads
Re: It has Begun
Reply #7 - 01/18/21 at 10:00:52
 
Working with stainless is like working with razor blades. I'd much rather work with aluminum.
Back to top
 
 

A life-time student of motorcycling.
LS650 Cafe, DRZ400SM, FZ6N, SV650S, CB900C, Ducati ST2, CB550F-SS
My LS650=> http://suzukisavage.com/yabb2.2/Attachments/Left.JPG
  IP Logged
LANCER
Serious Thumper
Alliance Member
*****
Offline

Savage Beast
Performance Parts

Posts: 10887
Oklahoma
Gender: male
Re: It has Begun
Reply #8 - 01/18/21 at 10:32:27
 
“@Mike, thanks. That's helpful. I got the carb kit from lancer and am guessing that's what the 3 random washer were, lol.”

The 3 washers are to replace the white plastic spacer, use 2 or 3 depending on the needs of your engine, depending on whether your engine is stock or modified and the altitude of your location and your weather.
Your exhaust system is a major factor as well. The better it flows the more fuel needed if you have a heavy throttle hand like mine is from time to time.  
It happens.  😎🏍
Back to top
 
 
  IP Logged
ohiomoto
Serious Thumper
*****
Offline

SuzukiSavage.com
Rocks!

Posts: 2839

Re: It has Begun
Reply #9 - 01/18/21 at 16:32:48
 
You're basically trying to copy most of the RYCA build/parts.  So any RYCA build thread that still has pictures is your friend.

You might want to look at my build. I was able to use the rear tank mounts and rear fender mounts to hold my hoop.  I ditched the stock tank, but the concept would be the same.  I put my battery under the seat as Gary described and I made rearset brackets.  I hung mid-controls, you could do rearsets.  

I have a DYI mid-control thread linked in there that should have a couple of other ideas for you.

http://suzukisavage.com/cgi-bin/YaBB.pl?num=1472222031/0

This is what my stock tank concept looked like.  (I ended up using the gold GT185 tank in the background.)
Back to top
 
 
  IP Logged
Gary_in_NJ
Serious Thumper
*****
Offline

LS650 Cafe Racer

Posts: 2655
Amongst the Twisty Roads
Re: It has Begun
Reply #10 - 01/18/21 at 19:39:21
 
On page 5 of my DRZ build thread (linked below) you’ll see the under seat electronics box I made for this build. I was able to fit a Battery Tender branded LiFePO4 battery in this box that is about the size of two stacks of playing cards in size. This little battery spins the bike up perfectly.

http://suzukisavage.com/cgi-bin/YaBB.pl?num=1484061156/60
Back to top
 
 

A life-time student of motorcycling.
LS650 Cafe, DRZ400SM, FZ6N, SV650S, CB900C, Ducati ST2, CB550F-SS
My LS650=> http://suzukisavage.com/yabb2.2/Attachments/Left.JPG
  IP Logged
gtenginerd
Junior Member
**
Offline

SuzukiSavage.com
Rocks!

Posts: 88
MO
Re: It has Begun
Reply #11 - 01/19/21 at 18:48:03
 
@Lancer, thanks for the info. I've never worked on a carb other than taking the bowl of and cleaning/spreading carb cleaner all over to get the lawnmower working. I'm afraid I'm going to screw something up working with the fuel/air mixture. I would have said it ran rich. It would crank without choke in summer, and back fire on decel. After replacing the muffler with a small cone eng, it didn't back fire anymore when shutting off. I'm at 500 ft elevation, but may occasionally ride up to 1500 or so. I'll need to see what jets I took out, but saw 50/150 is a good start. Should I go ahead and do the washer mod, while I have the carb off?

@Ohio, I found the dimensions of the rearset brackets, that's very helpful. Bought some bar stock today and plan to work on that soon. How did you fix the brake cable and shifter rod to the new foot controls? Also the kickstand doesn't look easy.  Undecided

@Gary, check, aluminum, not stainless. Got the sheet and pop rivets today. My metal working is going to look like $#!1 compared to you and OH. Can the r/r be mounted to the bottom of the box?

Edit: rear fender off
Back to top
« Last Edit: 01/20/21 at 09:51:20 by gtenginerd »  

20210120_115110.jpg
  IP Logged
Gary_in_NJ
Serious Thumper
*****
Offline

LS650 Cafe Racer

Posts: 2655
Amongst the Twisty Roads
Re: It has Begun
Reply #12 - 01/20/21 at 06:07:22
 
gtenginerd wrote on 01/19/21 at 18:48:03:
Can the r/r be mounted to the bottom of the box?


It most certainly can. That's a great spot for it.
Back to top
 
 

A life-time student of motorcycling.
LS650 Cafe, DRZ400SM, FZ6N, SV650S, CB900C, Ducati ST2, CB550F-SS
My LS650=> http://suzukisavage.com/yabb2.2/Attachments/Left.JPG
  IP Logged
gtenginerd
Junior Member
**
Offline

SuzukiSavage.com
Rocks!

Posts: 88
MO
Re: It has Begun - Scrambler Build
Reply #13 - 01/20/21 at 10:37:56
 
First chance to see what it may look like. I'm getting excited now.
Back to top
 

20210120_123626.jpg
  IP Logged
ohiomoto
Serious Thumper
*****
Offline

SuzukiSavage.com
Rocks!

Posts: 2839

Re: It has Begun - Scrambler Build
Reply #14 - 01/20/21 at 15:46:18
 
Good start there.  General rules are that you want create a straight line of some sort with the seat and tank.  In a perfect world the end of your seat or some other part of body work will line up over the rear axle.  This doesn't mean that you can't take liberties, these things lead to a better looking bike.

I didn't use the stock rear brake cable.  I found a set of pegs and controls from an XS400 and just made them fit.

I more or less stole all of the best ideas I could find on here and made it as simple as I could.  I broke it down into smaller chunks and made sure it was operational along the way.  I didn't touch my stock forward controls or kickstand until I had the seat and tank in place.   I didn't do the seat and tank until I had the suspension done.  I did most of my jetting before I even started my build.  The worst thing to do is take everything apart and not get it put back together.
Back to top
 
 
  IP Logged
Pages: 1 2 3 ... 5
Send Topic Print


« Home

 
« Home
SuzukiSavage.com
01/28/26 at 10:08:20



General CategoryRubber Side Down! › gtnerd - Scrambler Build


SuzukiSavage.com » Powered by YaBB 2.2!
YaBB © 2000-2007. All Rights Reserved.