Home
Forum
Search
Login
Register
Merch
Donate
Welcome, Guest. Please
Login
or
Register
::
View Members
SuzukiSavage.com
›
General Category
›
Rubber Side Down!
› Understanding the 2007+ Wiring Diagram
(Moderators:
verslagen1
,
Dave
,
Serowbot
)
‹
Previous topic
|
Next topic
›
Pages:
1
2
3
Understanding the 2007+ Wiring Diagram (Read 276 times)
Surviving Philly
Senior Member
Offline
SuzukiSavage.com
Rocks!
Posts: 315
Re: Understanding the 2007+ Wiring Diagram
Reply #15 -
12/19/23 at 04:07:21
I think my confusion is that the solid black looks like it is connected to that black/white ground at the connection immediately below the signal on the diagram. Do you know why that is Dave?
Back to top
IP Logged
Dave
YaBB Moderator
ModSquad
Offline
SuzukiSavage.com
Rocks!
Posts: 18580
Camp Springs, Kentucky
Gender:
Re: Understanding the 2007+ Wiring Diagram
Reply #16 -
12/19/23 at 17:53:12
It appears the artist who made the diagram made a mistake.
The black/white and black wire got reversed on the upper side of the connector (black rectangle) to the right turn signal. The center black/white wire coming out of the turn signal in the diagram is the ground.....it appears the black power wire for the right turn signal and the black/white ground for the left turn signal got reversed in the diagram one you get above the black rectangle connector symbols.
Follow the wires below the rectangles and you can see the black and green wires go to the turn signal switch, and the black/white wires go to the negative terminal on the battery.
Back to top
Someday I will be old......But not today!
IP Logged
Surviving Philly
Senior Member
Offline
SuzukiSavage.com
Rocks!
Posts: 315
Re: Understanding the 2007+ Wiring Diagram
Reply #17 -
12/19/23 at 18:09:01
That's what I was thinking!!!!!! Sick! Thanks Dave makes sense now.
Back to top
IP Logged
Surviving Philly
Senior Member
Offline
SuzukiSavage.com
Rocks!
Posts: 315
Re: Understanding the 2007+ Wiring Diagram
Reply #18 -
12/19/23 at 18:54:47
Wait a min. Could this actually be the error?
I think that solid black wire if you follow it functions as a ground as well, it connects to the turn signal indicator the left rear turn signal and the hazard switch and the turn signal switch. There is no icon on the diagram for where it actually grounds out.
But check this picture out. I think the error is that the solid black coming from the left front turn signal that turns into a white/black on that diagram is actually supposed to connect to the red/black for the horn where ive circled it on the picture.
What do you think? I suppose I won't know until I actually go in there and open it up.
Back to top
PXL_20231220_0250176982.jpg
IP Logged
Dave
YaBB Moderator
ModSquad
Offline
SuzukiSavage.com
Rocks!
Posts: 18580
Camp Springs, Kentucky
Gender:
Re: Understanding the 2007+ Wiring Diagram
Reply #19 -
12/20/23 at 03:03:37
The red/black wire for the horn has power to it - when you push the horn button is grounds the horn wire......the turn signal should not be connected to that wire.
Move your red circle straight up to the other side of the black rectangle....the black/white and black wire are reversed in this location.
The blue wire that comes from the turn signal flasher has power to it - the power comes from the brown wire that is the running light circuit. From the turn signal switch you can follow the green wire for the right turn signal, and the black wire for the left turn signal.....those colors should stay intact all the way to the turn signal socket.
I believe the diagram should look like the image below. This keeps the right turn signal wires together at the connector.....and also the left turn signal wires at the connector. It also provides the black/white ground wire to enter at the center of the turn signal graphic that is consistent with the rear turn signals as well.....the rears are only different because they don't have running lights. (Sorry about the quality....I am a better mechanic than I am a graphic artist).
Back to top
WiringFixed.png
Someday I will be old......But not today!
IP Logged
Surviving Philly
Senior Member
Offline
SuzukiSavage.com
Rocks!
Posts: 315
Re: Understanding the 2007+ Wiring Diagram
Reply #20 -
12/20/23 at 03:59:08
I see now I get it -- if it were connected to the red/ black it wouldn't be connected to the flasher relay and would be hot at all times, and the black is not a ground.
I've found actually a second error I think -- if you follow the solid black up to the indicator lights under the speedo they have the solid black as a ground for one of those when it should not be.
But this all makes sense now thanks Dave
Back to top
IP Logged
Dave
YaBB Moderator
ModSquad
Offline
SuzukiSavage.com
Rocks!
Posts: 18580
Camp Springs, Kentucky
Gender:
Re: Understanding the 2007+ Wiring Diagram
Reply #21 -
12/20/23 at 06:27:01
I think the turn signal indicator diagram is OK.
There is only a single indicator light that works for both the left and right signals. To allow this to happen - the little light uses the turn signal circuit for the other side as the ground.
So.....you turn the right signal on, and power goes to the signal indicator through the green wire.....then it uses the black wire as a ground by sending the current to the front and rear left signals. The amount of current required by the indicator light is so small it doesn't cause the front/rear turn signals filaments to glow.
The opposite happens when you turn on the left turn signal. The power goes to the indicator light through the black wire, and the green wire sends the current to the front and rear right turn signal bulbs - but once again they don't glow as the current is too small to get them powered up.
Back to top
Someday I will be old......But not today!
IP Logged
Surviving Philly
Senior Member
Offline
SuzukiSavage.com
Rocks!
Posts: 315
Re: Understanding the 2007+ Wiring Diagram
Reply #22 -
12/20/23 at 07:17:56
Interesting... Man what a lot to learn here about wiring and electricity in general, would absolutely not have been able to figure that out on my own.
Really appreciated Dave
Back to top
IP Logged
Surviving Philly
Senior Member
Offline
SuzukiSavage.com
Rocks!
Posts: 315
Re: Understanding the 2007+ Wiring Diagram
Reply #23 -
12/25/23 at 11:51:25
Alright, here's my mock up for the new control switches/ bar. Not perfect but I think I did OK, was my first time running wiring through bars/ drilling into bars etc. silicone behind the switch housing to compensate for a very small gap. Hoping the switches hold up, well see I guess kind of at the point of no return on this project.
Back to top
PXL_20231225_1942319433.jpg
IP Logged
Surviving Philly
Senior Member
Offline
SuzukiSavage.com
Rocks!
Posts: 315
Re: Understanding the 2007+ Wiring Diagram
Reply #24 -
12/26/23 at 22:34:24
Made a minimal wiring mock up, would anyone mind giving me a second set of eyes on this? I think it should work.
Back to top
minimal_diagram_mock_up.jpg
IP Logged
Dave
YaBB Moderator
ModSquad
Offline
SuzukiSavage.com
Rocks!
Posts: 18580
Camp Springs, Kentucky
Gender:
Re: Understanding the 2007+ Wiring Diagram
Reply #25 -
12/27/23 at 03:20:02
I don't believe the black wire for the headlight (ground) needs to pass through the headlight dimmer switch.
No horn or turn signals?
(Both of those are required to be road legal where I live.....without those you are likely to get pulled over at some point).
Back to top
Someday I will be old......But not today!
IP Logged
verslagen1
YaBB Moderator
ModSquad
Offline
Where there's a
will, I want to be
in it.
Posts: 29042
L.A. California
Gender:
Re: Understanding the 2007+ Wiring Diagram
Reply #26 -
12/27/23 at 09:16:44
Hmmm, learn something every day.
the decomp controller has it's own fuse.
I would recommend pulling the fuses when winterizing the bike.
This would prevent the self starting failure from sending your bike into the wall over the winter... if you're not going to pull the battery of course.
Back to top
Versey's Place
Tech Section Index
IP Logged
Surviving Philly
Senior Member
Offline
SuzukiSavage.com
Rocks!
Posts: 315
Re: Understanding the 2007+ Wiring Diagram
Reply #27 -
12/27/23 at 10:33:02
Vers that failure is caused by the decomp controller getting stuck, right? If I pull the controller like in the diagram mockup I made above it shouldn't be possible anymore is my thinking, what do you think?
Dave, what are horns and turn signals?
Back to top
IP Logged
verslagen1
YaBB Moderator
ModSquad
Offline
Where there's a
will, I want to be
in it.
Posts: 29042
L.A. California
Gender:
Re: Understanding the 2007+ Wiring Diagram
Reply #28 -
12/27/23 at 10:46:26
my comment was meant for a stock bike.
no controller, no problem.
Back to top
Versey's Place
Tech Section Index
IP Logged
Surviving Philly
Senior Member
Offline
SuzukiSavage.com
Rocks!
Posts: 315
Re: Understanding the 2007+ Wiring Diagram
Reply #29 -
12/27/23 at 21:14:09
Alright,
I'm basically finished with how I want to tackle this wiring -- the one issue that is sticking out to me is the dimmer switch/ highbeam/lowbeam switch.
Is this a SPDT type switch? either high or low are on at all times? when the highbeam is on, is the lowbeam off? if so, I'm planning on replacing it with a mini toggle switch on the back of the headlight, where I'm also putting my neutral indicator light.
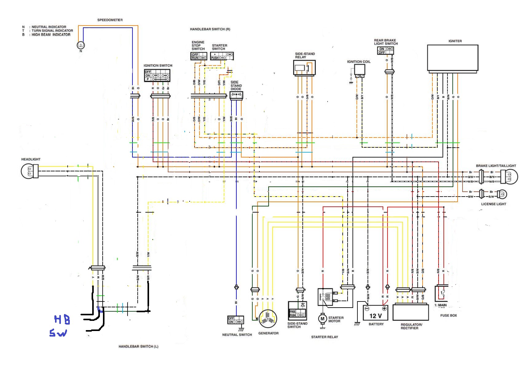
Back to top
IP Logged
Pages:
1
2
3
‹
Previous topic
|
Next topic
›
Forum Jump »
» 10 most recent posts
» 10 most recent topics
General Category
»» Rubber Side Down!
- Technical Documents/Reference
- The Marketplace
- The Cafe
- Politics, Religion (Tall Table)
- Forum Upgrade Issues / Tests
« Home
« Home
SuzukiSavage.com
12/13/25 at 09:41:05
›
General Category
›
Rubber Side Down!
› Understanding the 2007+ Wiring Diagram
SuzukiSavage.com
» Powered by
YaBB 2.2
!
YaBB
© 2000-2007. All Rights Reserved.